合同履约评价细则 (安全飞行检查)
第一章 总 则
第一条 为确保成都空港兴城投资集团有限公司(以下简称“集团公司”)对外签订的安全生产飞行检查类合同有效履行,提高第三方飞行检查机构履约质量、规范安全生产检查行为,根据《合同履约评价管理办法》制定本细则。
第二条 本细则适用于运营控制部作为牵头部门签署的第三方安全飞行检查技术支持服务框架协议,安全生产第三方飞行检查机构的履约情况为本细则的评价对象。
第二章 履约要求
第三条 对安全生产第三方飞行检查机构的一般要求:
(一)严格按照国家、省市、行业、部门的有关法律、法规、制度规定以及有关执业道德规范的要求,遵循独立、客观、公正、诚实信用的原则完成安全生产行为检查工作,并对阶段性报告的真实性、合理性、合法性负责。
(二)组建项目团队(即安全飞行检查组),任命项目负责人与牵头部门搭建具体工作联系。
(三)服务期间,安全飞行检查组承担空港兴城集团所有在建工程项目、资产项目的常态化安全生产检查工作,对项目及资产的安全隐患(含导致工程出现安全隐患的质量问题)、人员履职、现场安全状态等情况开展全过程巡视和检查活动,按要求提交阶段性报告。
(四)安全飞行检查组开展安全检查履行分级管控、危险点源分析研判,以便于更深入摸清项目安全隐患;
(五)安全飞行检查组未经牵头部门同意不得对其他单位开展协助工作。安全飞行检查组协助开展工作仅限于危大工程、重大事故隐患检查等专项检查。
(六)接受日常管理、监督检查及考核。
(七)除法律另有规定外, 未经集团公司书面同意, 不得对外提供飞行检查过程中获知的商业秘密和业务资料。
(八)根据空港兴城集团以及有关工程建设、廉政建设的规定,为做好安全检查中的廉政建设,保证安全检查工作高效优质,安全飞行检查组应向空港兴城集团做出廉政承诺,并对所有组内成员提出廉洁自律要求。
第三章 评价方式及内容
第四条 评价方式。安全飞行检查的履约评价分为单项评价、季度评价和年度评价。
第五条 单项评价,实行负面行为考核,即以每个任务单完成情况后,对单个任务完成情况做出的履约评价(详见附件1)。
单项考核形成《履约评价细则附件-履约考核表(附件1:单项考核)》,过程中发现安全飞行检查机构存在表中任一情形的,按照对应考核标准进行处理;单项评价时暂未发现或处理的问题,在季度、年度评价等过程中发现的,在完善附件1约定的处理措施后再进行其他评价。
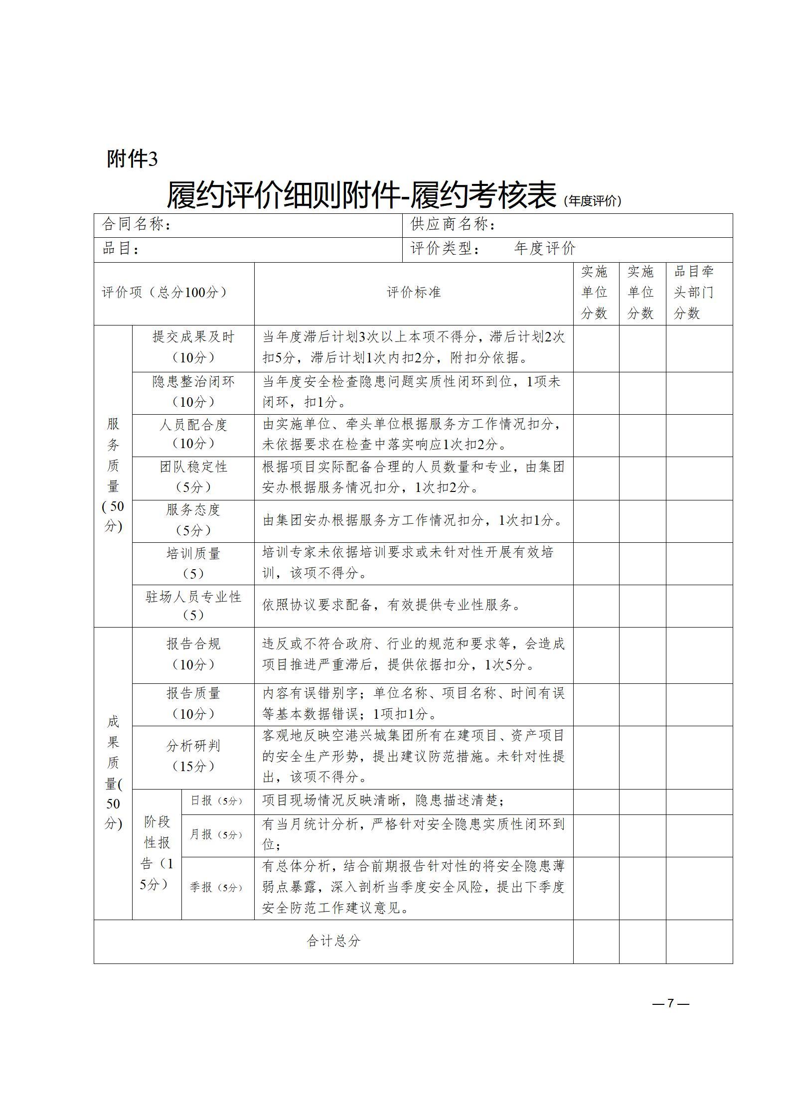
第六条 季度评价,实施单位在当季度结束后及时完成《履约评价细则附件-履约考核表(附件2:季度考核)》打分,并于次月15个日历日内交至牵头部门。履约考核表满分100 分, 具体评价标准详见附件2。
若集团工程管理部、集团企业发展中心(资产运营部)参与协同检查时,其将协同集团安办对该安全飞行检查机构进行季度评价。
即:供应商阶段性评价最终得分=∑参与协同检查的部门分数×40%+品目牵头部门的考核分数占比×60%
第七条 年度评价,为合同服务期限结束后(不含质保期)20个日历日内,对供应商合同履约情况作出的综合评价。若有特殊情况,品目牵头部门可根据情况对年度评价总分进行调整。
集团工程管理部、集团企业发展中心(资产运营部)协同集团安办对该安全飞行检查机构进行年度评价。
即:供应商单项评价最终得分=∑参与协同检查的部门分数×40%+品目牵头部门的考核分数占比×60%
第四章 评价结果运用
第七条 考核方式。
(一)季度评价
1、考核结果在80分(含80分)以上的,按协议签约价结算费用,即系数为1;
2、考核结果在60分(含60分)以上,80分以下(不含80分)的,将在季度结算时以系数=合计得分/100的比例乘以季度结算款作为结算费用;
3、考核结果在60分以下的,依据违约责任终止本协议,当季度支付系数直接认定为0.5。
(二)年度评价
1、考核结果在在80分(含80分)以上的,则与供应商正常续签;
2、考核结果在60分(含70分)以上,80分以下(不含80分)的,品目牵头部门视情况不再续签或降低原合同价格等;
3、考核结果在60分以下的,永不续签。
第四章 附则
第八条 本细则由运营控制部负责解释。
第九条 本细则与《合同履约评价管理办法》同步实施、 废止。在实施期间, 国家、省、市、区有新规定的,从其规定。
如《合同履约评价管理办法》修改,本细则相应修改。






扫一扫在手机打开当前页
上一篇:合同履约评价管理办法